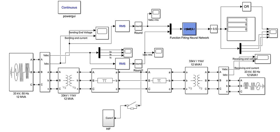
The High Impedance Fault (HIF) detection and classification system implemented in MATLAB leverage Neural Network (NN) techniques for improved accuracy. High Impedance faults, which can be challenging to identify due to their subtle nature, are efficiently detected and classified using the power of artificial intelligence. The Neural Network model is trained on diverse datasets, encompassing various fault scenarios, enabling it to learn and distinguish high impedance faults from other types. The MATLAB environment provides a robust platform for developing and testing this intelligent fault detection system, ensuring its effectiveness in enhancing the reliability and efficiency of power distribution systems by swiftly identifying and categorizing elusive high impedance faults.
High Impedance fault detection classification using Neural Network in MATLAB
Simulink Super Sale







