21 Kw Grid connected Pv system in MATLAB
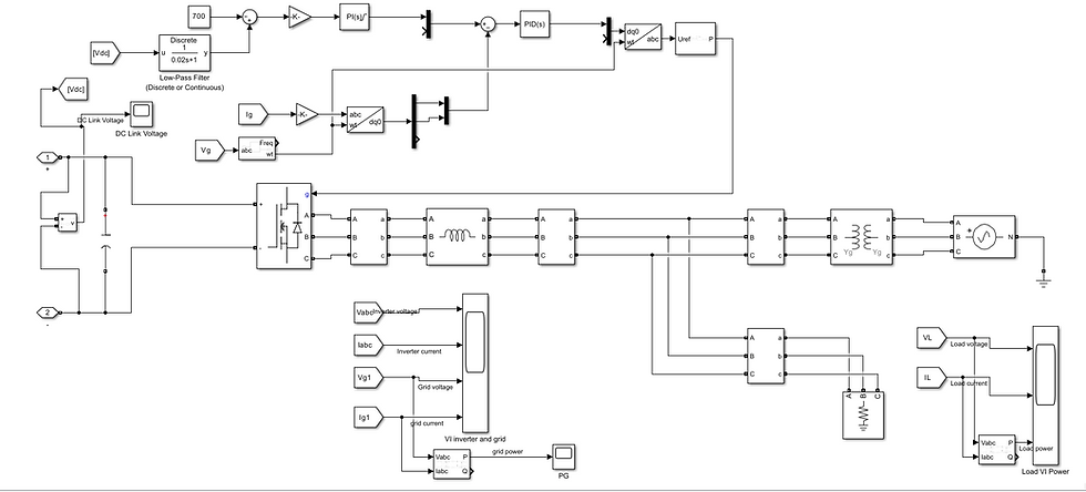
This project presents a 21 kW grid-connected solar photovoltaic (PV) system modeled and simulated in MATLAB/Simulink. The system integrates a PV array with a DC-DC boost converter and MPPT control, followed by a three-phase voltage source inverter (VSI) synchronized with the grid using dq control and PLL.
The model demonstrates efficient power extraction under constant irradiance conditions and ensures stable DC-link voltage regulation (~700 V). The inverter injects high-quality sinusoidal current into the grid with controlled active power delivery (~11 kW observed per simulation conditions).
It includes complete waveform analysis of PV output, DC-link dynamics, inverter behavior, load response, and grid interaction, making it suitable for detailed performance evaluation and control strategy validation.
🔹 Specifications / Ratings
- PV System Capacity: 21 kW
- PV Voltage Range: ~280–320 V
- PV Current Range: ~70–80 A
- Maximum PV Power: ~21 kW
- DC-DC Converter: Boost Converter
- MPPT Technique: Perturb & Observe (P&O)
- DC Link Voltage: 700 V (regulated)
- Inverter Type: 3-Phase Voltage Source Inverter (VSI)
- Control Strategy: dq-axis current control with PLL synchronization
- Grid Voltage: 415 V (L-L), 50 Hz
- Load Power: ~10–11 kW
- Switching Frequency: Typically 5–20 kHz
- Filter: L filter for harmonic reduction
- Simulation Platform: MATLAB/Simulink
🔹 Key Points
- ✔️ Complete PV → Boost → DC Link → Inverter → Grid architecture
- ✔️ Stable DC-link voltage maintained at 700 V with minimal ripple
- ✔️ Efficient MPPT tracking achieving near 21 kW output
- ✔️ Grid synchronization using PLL + dq control
- ✔️ Low transient settling time (~0.1–0.2 sec)
- ✔️ Clean sinusoidal grid voltage and current waveforms
- ✔️ Real-time analysis of PV, inverter, load, and grid power
- ✔️ Supports active power injection to grid (~11 kW)
- ✔️ Suitable for power quality and control validation studies
- ✔️ Modular design for easy extension (battery, EV, hybrid systems)
🔹 Useful To
- 🔸 Researchers working on grid-connected PV systems
- 🔸 Engineers designing solar inverters and control strategies
- 🔸 Students learning MPPT, dq control, and grid synchronization
- 🔸 Projects involving EV charging stations with solar integration
- 🔸 Studies on power quality, THD, and DC-link stability
- 🔸 Development of hybrid microgrid and energy management systems
21 Kw Grid connected Pv system in MATLAB
Simulink Super Sale
